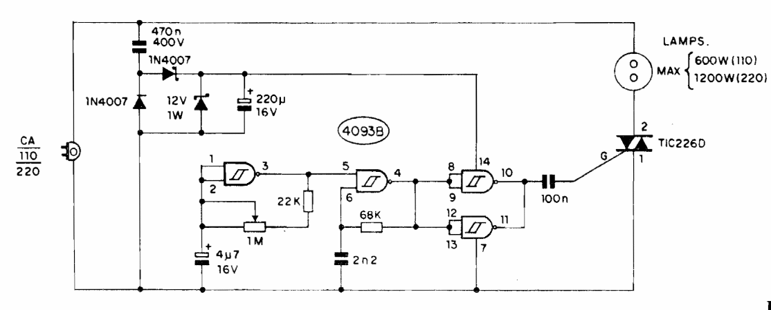
This old circuit is suitable for signaling applications. The lamp must be incandescent, and the triac must be mounted on a heat sink. The frequency is adjusted in the 1 M trimpot.
We found this circuit in a 1985 technical publication. The circuit uses PUTs to drive lamps....
This high-powered megaphone circuit is from a Radio Electronics from December 1964. Note the use...
This amplifier with differential input uses two old op amps but can be implemented with modern op amps....