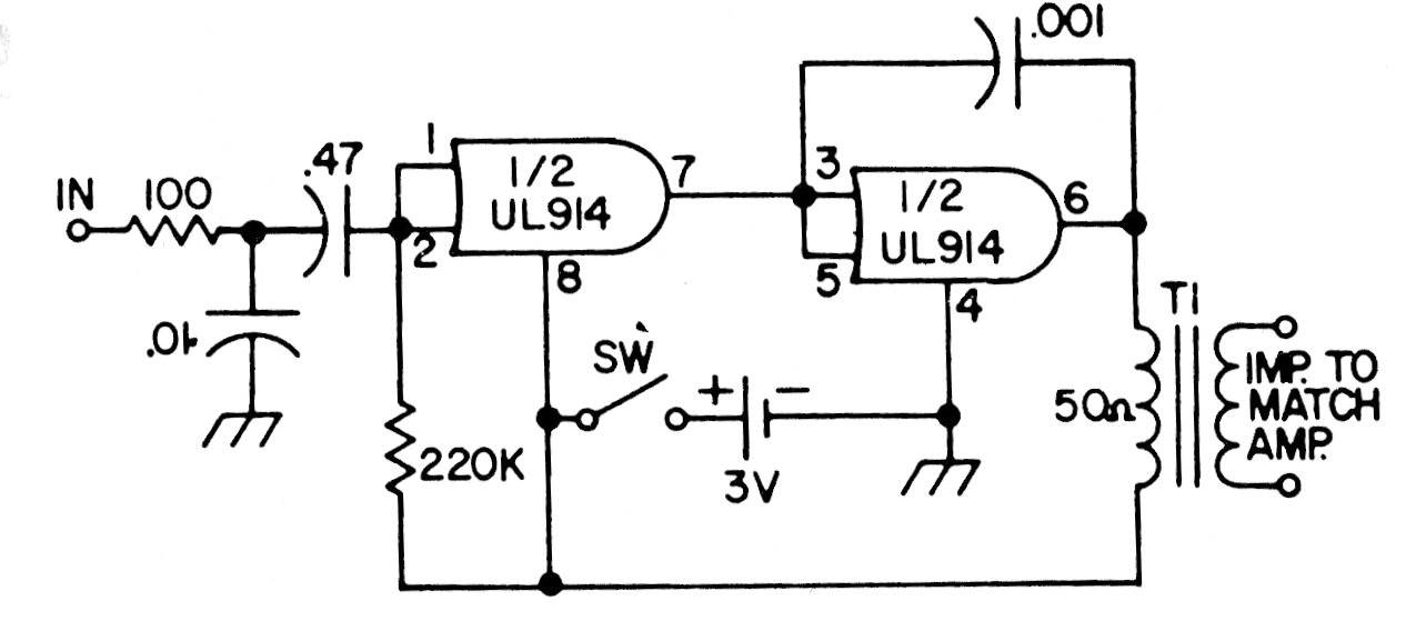
This circuit is from a documentation from the 70s. The circuit uses logic gates of the time, which in many cases were arrays of transistors allowing use as audio amplifiers, as in this case.
This circuit, from ancient French documentation, produces a rectangular pulse from input pulses...
This timer for small intervals, but which can be increased with the increase of R1, was obtained in an...
Found in a 90s Radio Electronics, this circuit can supply currents of a few amps, according to the power...