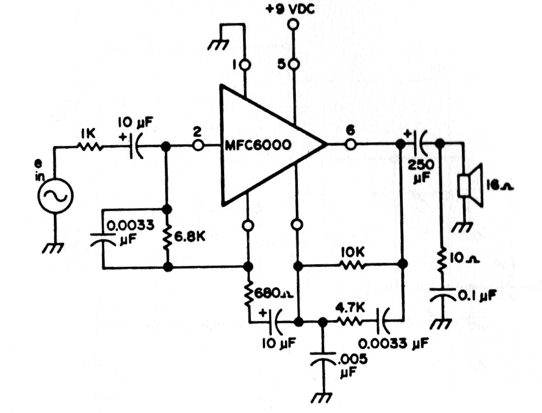
This small audio amplifier was found in an American publication in 1975, The integrated circuit used is rare today. The circuit was used in portable receivers of the time and other applications.
This touch switch uses components that have easy-to-obtain current equivalents. The power supply...
After starting, this circuit turns off the relay in a time that depends on the 4020 pulse-count. This...
Connected to the output of a small amplifier or receiver, this circuit triggers a relay in the...