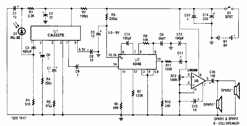
This circuit is from a Popular Electronics from the 90's. The audio amplifier admits equivalent. The others integrated are not very common today.
This lamp flasher configuration using an astable multivibrator is from a 1968 publication. The...
When the voltage in the circuit exceeds the value set in the trimpot, the LED goes off and, if a...
The maximum input voltage of this circuit is 20V and the output current is 250 mA. The circuit is from...