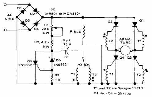
This circuit for shunt motors was found in an American 1980s documentation. The SCR should be rated for the controlled load as well as the diodes.

This circuit for shunt motors was found in an American 1980s documentation. The SCR should be rated for the controlled load as well as the diodes.
