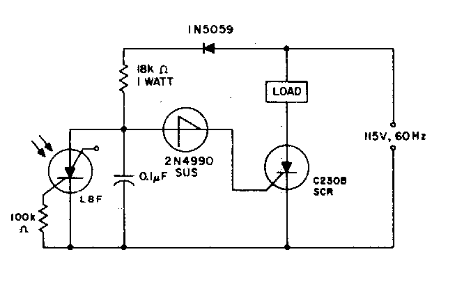
This circuit uses a photo-SCR or LASCR that is not a common component today. The relay depends on the load, and the power is supplied by the power grid.
This lamp flasher configuration using an astable multivibrator is from a 1968 publication. The...
When the voltage in the circuit exceeds the value set in the trimpot, the LED goes off and, if a...
The maximum input voltage of this circuit is 20V and the output current is 250 mA. The circuit is from...