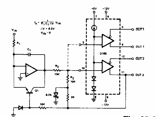
This circuit is from the documentation of the 90s. The integrated circuits are from that time. The circuit can be adapted to operate with modern equivalent components.

This circuit is from the documentation of the 90s. The integrated circuits are from that time. The circuit can be adapted to operate with modern equivalent components.
