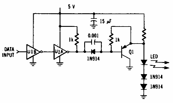
This transmitter for modulated radiation can be used as an optical data shield. The maximum frequency is 1 Mbps. The resistor with no indicated value depends on the maximum current of the LED as well as Q1.

This transmitter for modulated radiation can be used as an optical data shield. The maximum frequency is 1 Mbps. The resistor with no indicated value depends on the maximum current of the LED as well as Q1.
