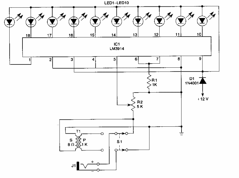
Found in Electronics Now this circuit is indicated for operation at the output of audio amplifiers. The circuit is powered by 12 V from the amplifier itself or from another source.
This lamp flasher configuration using an astable multivibrator is from a 1968 publication. The...
When the voltage in the circuit exceeds the value set in the trimpot, the LED goes off and, if a...
The maximum input voltage of this circuit is 20V and the output current is 250 mA. The circuit is from...