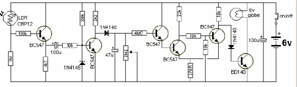
This circuit automatically turns off a light when the sensor receives uz and turns it on when it gets dark. The circuit uses a standard incandescent flashlight, but it can be adapted to use high-power LEDs and be powered by a rechargeable battery with a permanent charge system.




