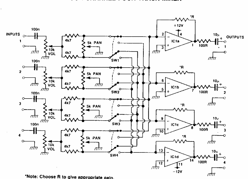
This elaborate mixer is from an Electronics Today International from the 80s. Operational amplifiers are common and resistors with no value determine the gain of the amplification steps.
This flip-flop or bistable was found in a publication about transistors from the 60's. The circuit...
This preamplifier circuit for magnetic cartridges was found in the March 1986 Radio Electronics magazine....
This oscillator was found in a book on transistors from 1954. The transistor is from the time, and...