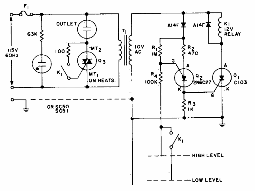
Found in old documentation, this circuit has only the most difficult component to obtain the PUT. The sensors are electrodes placed in the reservoir. The circuit directly controls an AC power load.
This lamp flasher configuration using an astable multivibrator is from a 1968 publication. The...
When the voltage in the circuit exceeds the value set in the trimpot, the LED goes off and, if a...
The maximum input voltage of this circuit is 20V and the output current is 250 mA. The circuit is from...