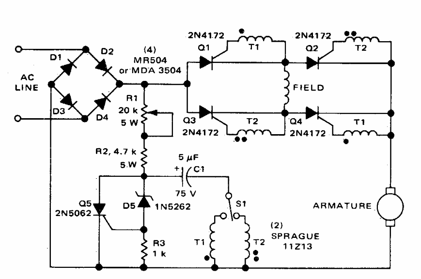
This circuit from a 1970s General Electric publication applies to motors of the series winding type. SCRs support current equivalents and must be equipped with heat sinks.
This flip-flop or bistable was found in a publication about transistors from the 60's. The circuit...
This preamplifier circuit for magnetic cartridges was found in the March 1986 Radio Electronics magazine....
This oscillator was found in a book on transistors from 1954. The transistor is from the time, and...