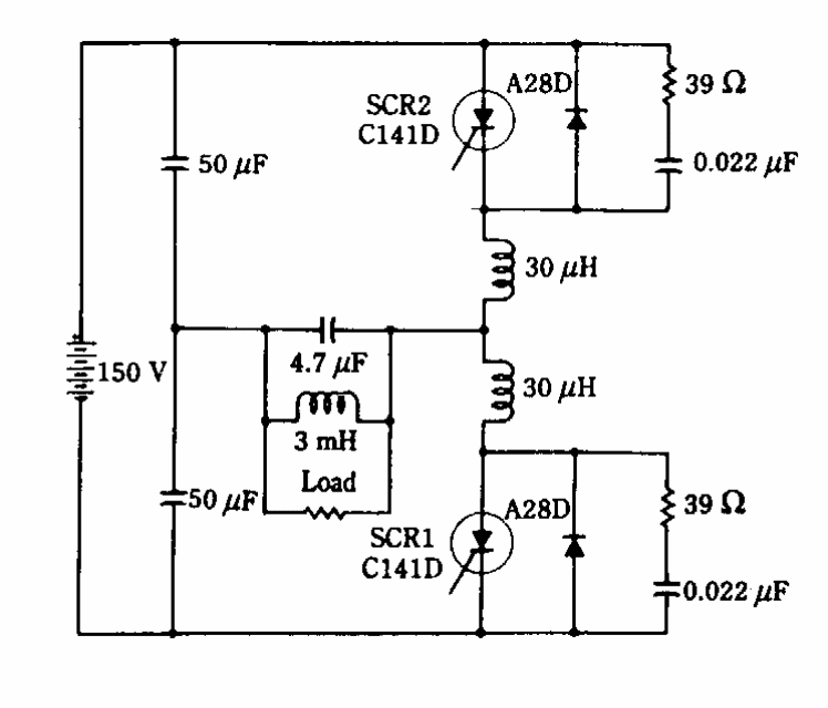
This circuit was obtained from an American documentation from the 90's. Inductors are critical components of the circuit. The output is 120 V sinusoidal.
Other amplifiers of the series like the MC3301, MC3401 and LM2900 can be used in this circuit. We found...
This type of sensor was used in sensitive infrared systems from the 1960s. This circuit was found...
This circuit was obtained from an American 80's documentation. The balanced mixer can be shown in...