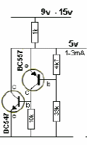
In the absence of a 5 V zener diode, we can create an equivalent configuration with two transistors, as shown in the figure. The circuit at a maximum current of the order of 1.3 mA and the input can be between 9 and 15 V.

In the absence of a 5 V zener diode, we can create an equivalent configuration with two transistors, as shown in the figure. The circuit at a maximum current of the order of 1.3 mA and the input can be between 9 and 15 V.
