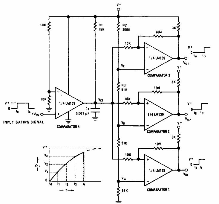
This circuit generates output pulses with sequential delays. The delays can be programmed by the values of the resistors and the capacitor. The supply voltage can typically be between 5 and 12 V.
This circuit, which is part of a percussion instrument, was found in the September 1979 issue of...
The diodes are for general use and the transistors also in this Exclusive-OR circuit. The circuit may...
The frequency of this small transmitter, from a 1978 foreign publication, depends on the crystal. The...