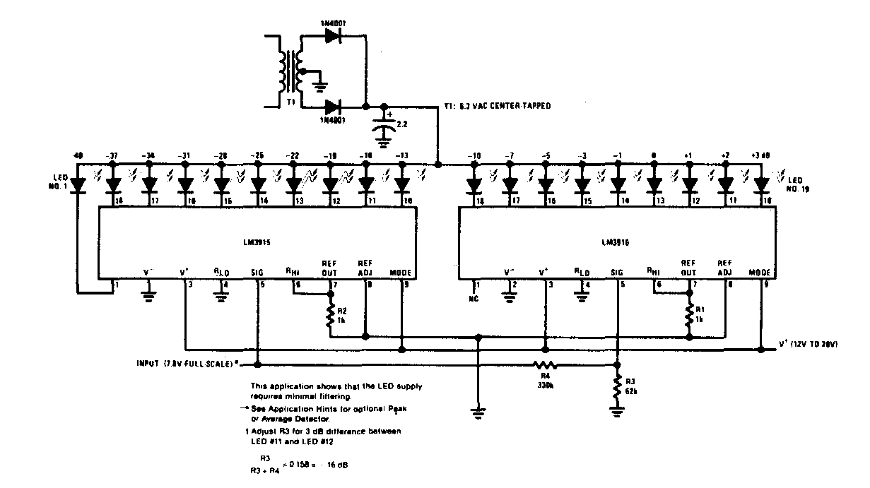
This circuit is from the manual of the integrated circuit used. Similar versions appear on this website and even in this section.
June 2017 - Mouser Electronics has a broad line of Cree products for use in horticulture, such as...
Based on common operational amplifiers, this circuit was found in Texas Instruments documentation. The power...
This is an old circuit with a feature that most modern oscilloscopes have. We found it in a Radio...