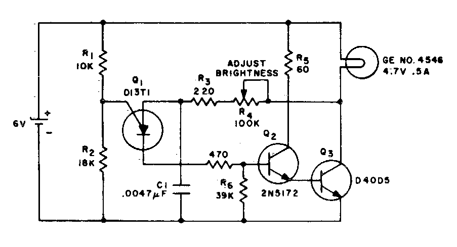
For a current of 5A and a supply of 6 V this circuit was found in documentation from the 70s. Transistors admit modern equivalents. Q1 is a PUT uncommon today.
Published in 1988 in Hands-On Electronics, this circuit converts the 12 V of a battery into 120 V...
This 10 mA microammeter circuit can measure currents of 50 uA. The circuit is from a publication from the...
This receiver was found in an article in Electronics Now magazine in March 1994. The coils are...