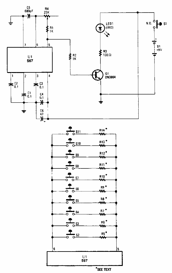
This circuit is from a Popular Electronics from the 90s. The circuit has a tone frequency modulator network based on a PLL567. The number of channels is limited by the selectivity of the receiver.

This circuit is from a Popular Electronics from the 90s. The circuit has a tone frequency modulator network based on a PLL567. The number of channels is limited by the selectivity of the receiver.
