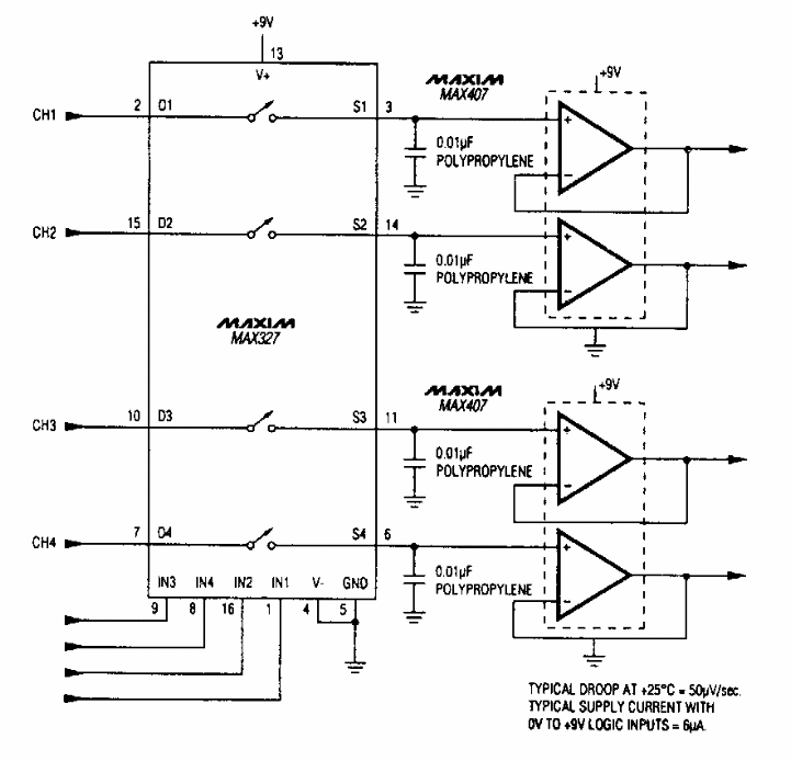
We found this circuit in a Maxim documentation from the 90s. The 4-channel circuit uses a component of the time and has a supply current of only 6 uA.
This amplifier for distributing audio signals appears in other articles on this website and even...
This circuit was found in a 1964 MOSFET applications manual. The circuit uses period general...
This circuit works only with incandescent lamps, timing its activation at intervals that depend on C1....