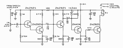
This sound relay was found in an American documentation from 1977. The relay determines the power to the circuit. Transistors are common types at the time.

This sound relay was found in an American documentation from 1977. The relay determines the power to the circuit. Transistors are common types at the time.
