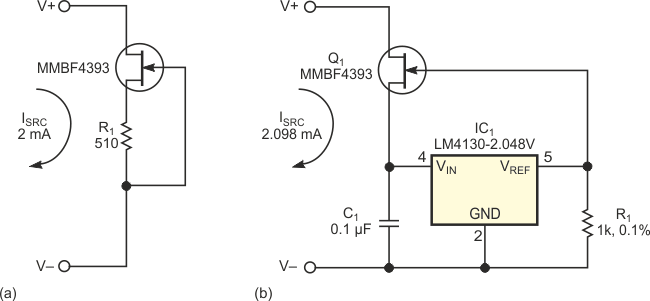
Based on National Semiconductor's LM4130 reference circuit, this circuit was found in Internet documentation. The circuit has an output impedance of 1 Mohm.
This amplifier for distributing audio signals appears in other articles on this website and even...
This circuit was found in a 1964 MOSFET applications manual. The circuit uses period general...
This circuit works only with incandescent lamps, timing its activation at intervals that depend on C1....