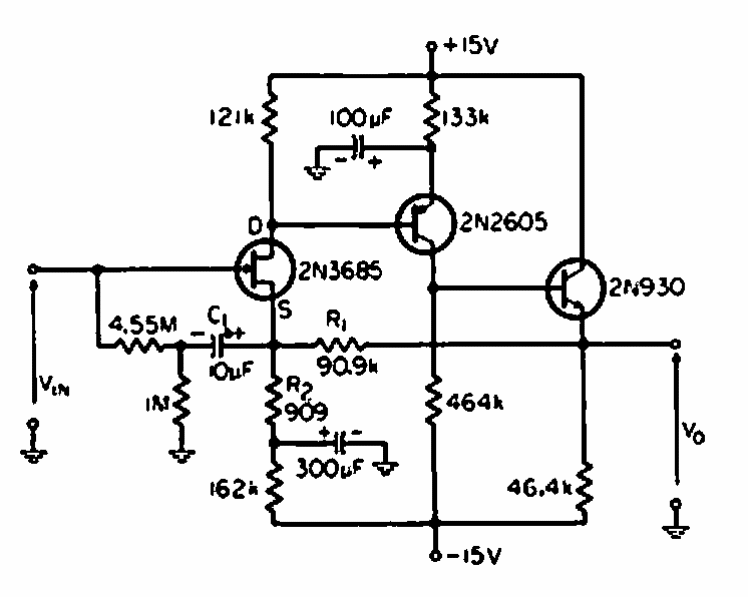
This circuit was found in old American documentation. It has 40 dB gain between 10 Hz and 10 kHz. Modern equivalent transistors can be used.
This amplifier for distributing audio signals appears in other articles on this website and even...
This circuit was found in a 1964 MOSFET applications manual. The circuit uses period general...
This circuit works only with incandescent lamps, timing its activation at intervals that depend on C1....