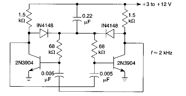
We found this circuit in an American documentation from the 90's. The circuit makes use of general purpose NPN transistors. The 0.005 uF (5nF) capacitors determine the frequency.
This circuit activates a relay when the conducting bars (probes) are held by a person. The circuit is...
Found in a February 1970 Radio Electronics magazine article describing applications for the...
The transmitter we have described, operates at a frequency between 88 and 98 MHz, with a range of the...