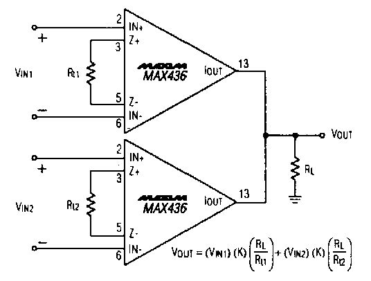
Maxim suggests this circuit in documentation from the 1990s. The components are from the period and the formula for the gain is given next to the diagram.

Maxim suggests this circuit in documentation from the 1990s. The components are from the period and the formula for the gain is given next to the diagram.
