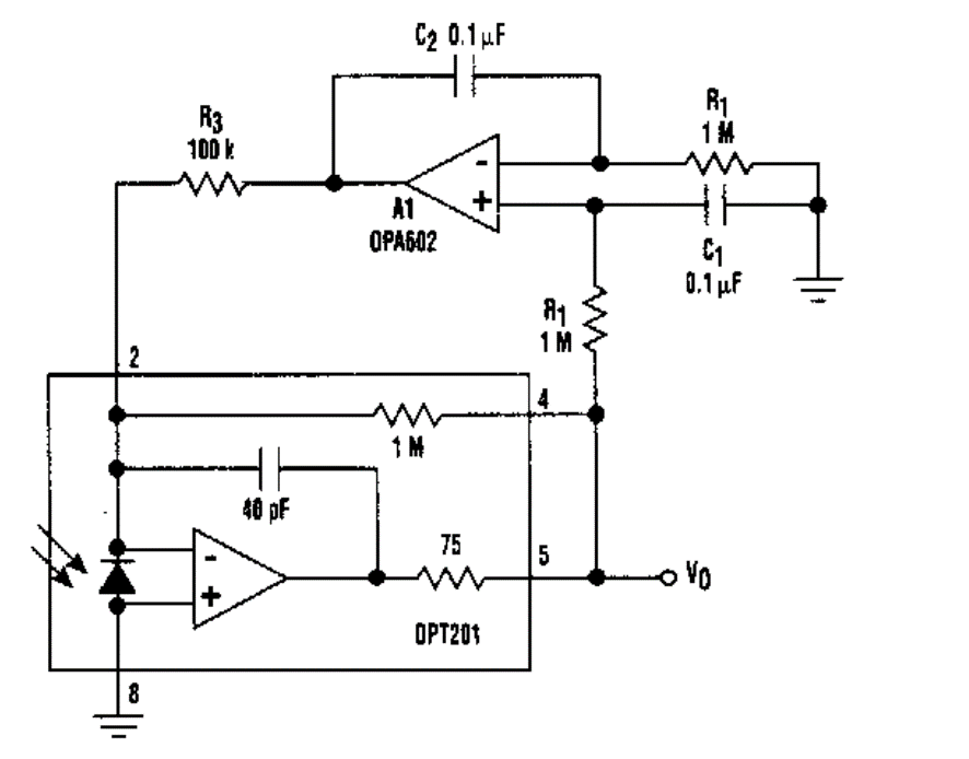
This circuit is from an Electronic Design from the 90's. The circuit has excellent gain and must be powered by a symmetrical power source.
This circuit, from ancient French documentation, produces a rectangular pulse from input pulses...
This timer for small intervals, but which can be increased with the increase of R1, was obtained in an...
Found in a 90s Radio Electronics, this circuit can supply currents of a few amps, according to the power...