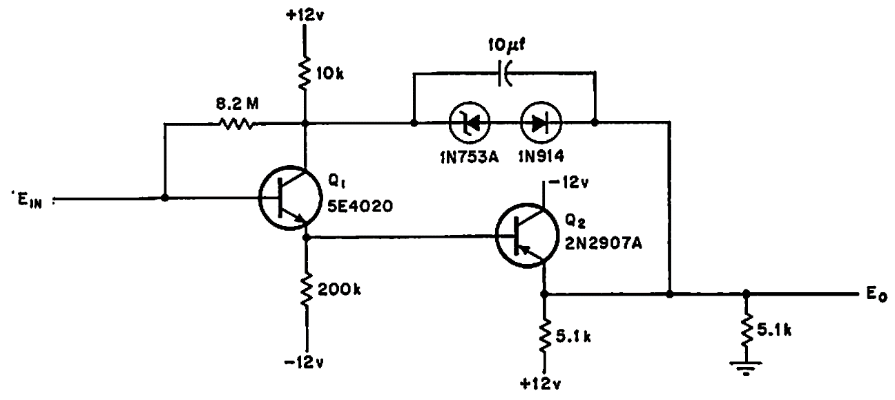
The purpose of this circuit is to extend the range of applications from a Darlington pair to DC. The circuit is from an American documentation from 1970.
This circuit, from ancient French documentation, produces a rectangular pulse from input pulses...
This timer for small intervals, but which can be increased with the increase of R1, was obtained in an...
Found in a 90s Radio Electronics, this circuit can supply currents of a few amps, according to the power...