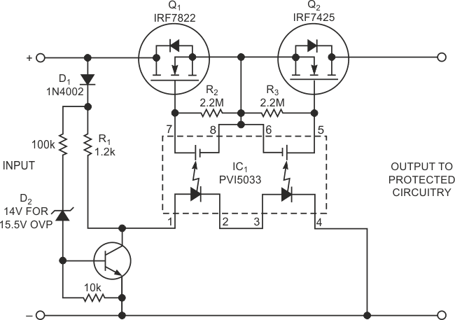
This protective circuit uses Shottky diodes on an International Rectifier PVI5033 and IRF7822 integrated circuit. The circuit has a resistance of just 0.013 ohm with a 10 A load.
This circuit, from ancient French documentation, produces a rectangular pulse from input pulses...
This timer for small intervals, but which can be increased with the increase of R1, was obtained in an...
Found in a 90s Radio Electronics, this circuit can supply currents of a few amps, according to the power...