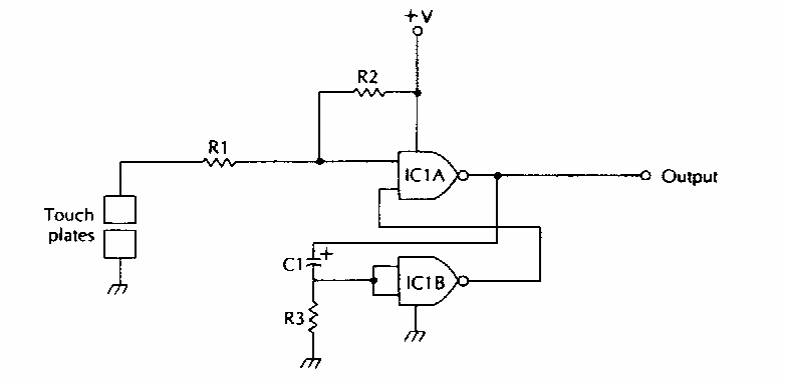
This timing circuit was found in old documentation. The technology is CMOS. The supply can be made with voltages from 3 to 12 V. The time depends on R1 and C1.
This circuit, from ancient French documentation, produces a rectangular pulse from input pulses...
This timer for small intervals, but which can be increased with the increase of R1, was obtained in an...
Found in a 90s Radio Electronics, this circuit can supply currents of a few amps, according to the power...