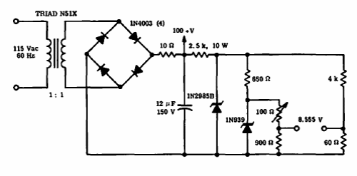
This circuit was found in a 1967 Motorola manual. Its purpose is to provide a very accurate reference voltage of 0.555V.

This circuit was found in a 1967 Motorola manual. Its purpose is to provide a very accurate reference voltage of 0.555V.