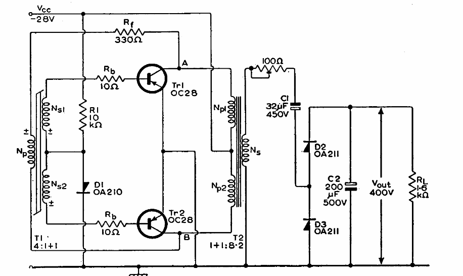
This voltage inverter circuit was found in a Mullard transistor manual from 1960. Information on the transformers was given. Transistors are germanium types.
This astable multivibrator configuration causes two LEDs to alternately flash at a frequency...
In the figure we show our first circuit that consists of a simple touch switch capable of driving a...
This electromyography monitor is from a 1978 publication on operational amplifiers. The components are...