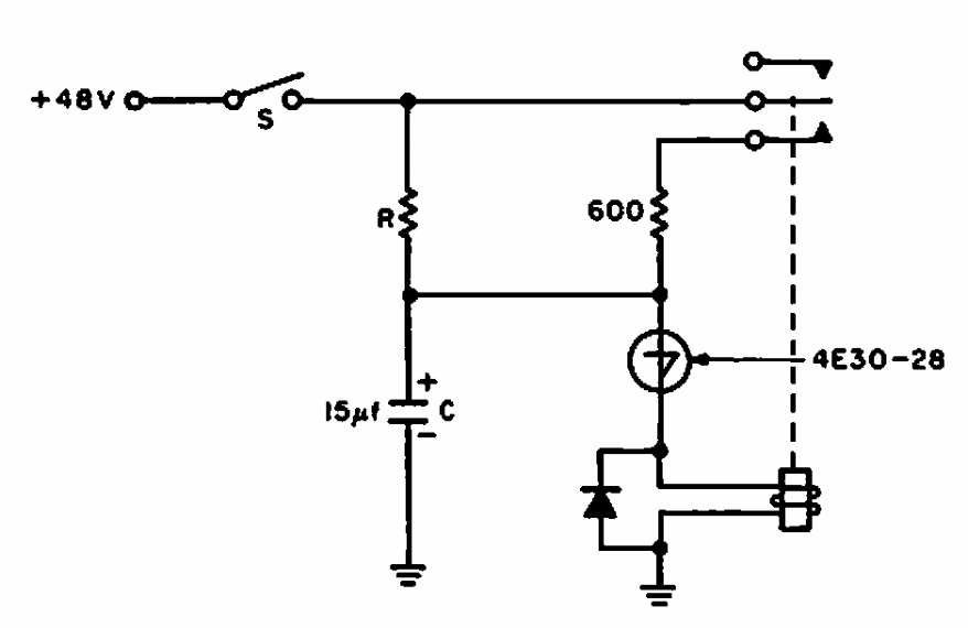
Using a 4-layer diode, an unusual component today, this circuit was found in an American documentation from 1964. The circuit can be tested using a diac.
This flip-flop or bistable was found in a publication about transistors from the 60's. The circuit...
This preamplifier circuit for magnetic cartridges was found in the March 1986 Radio Electronics magazine....
This oscillator was found in a book on transistors from 1954. The transistor is from the time, and...