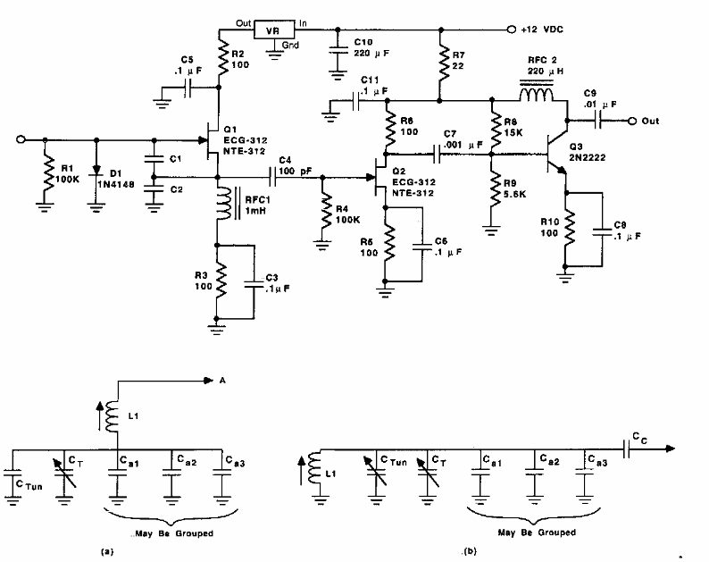
We found this circuit in a magazine 73 from the 90's. It is a circuit indicated for radio-amateur transmitters with the frequencies determined by the sets of coils.
We found this good audio amplifier that must be powered with a voltage up to 14 V in a circuit manual...
This circuit was found in a 90s Popular Electronics. The integrated circuit used is uncommon...
This is a well-known RC oscillator configuration using a 741 operational amplifier. The circuit is from...