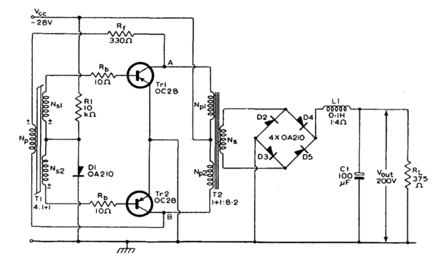
We found this circuit in Mullard's 1960s transistor manual. No information about transformers is given. Transistors are germanium types of the time.
This battery monitor circuit with the TLV379 low voltage operational amplifier was obtained in the...
We got this circuit from Radio Electronics from July 1990. The circuit mimics the sound of the red...
This configuration often addressed on this site is from a 2000 documentation. The circuit can be...