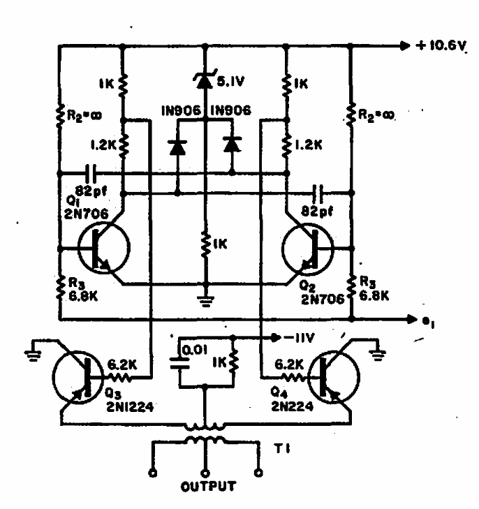
This circuit was obtained from an Electronic Design from 1964. Transistors admit modern equivalents and the range of frequencies generated can be changed.
This useful power supply was found in an 1985 Italian publication, but can still be assembled...
This dimmer for 12 V incandescent lamps was found in a 1966 General Electric documentation. The circuit has...
With this circuit any number of 4017 integrated circuits can be connected in series. The circuit is...