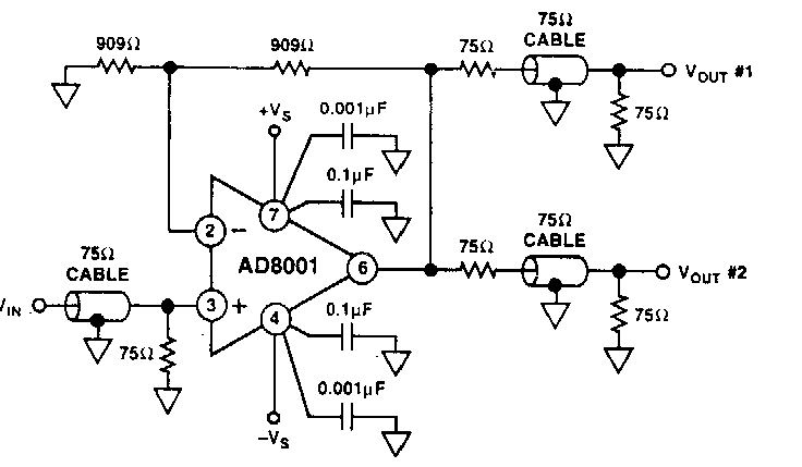
This circuit was found in Analog Devices documentation from the 90's. The integrated circuit used is from the time. The circuit is for HDTV signals. of the time.
This battery monitor circuit with the TLV379 low voltage operational amplifier was obtained in the...
We got this circuit from Radio Electronics from July 1990. The circuit mimics the sound of the red...
This configuration often addressed on this site is from a 2000 documentation. The circuit can be...