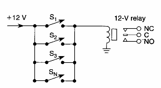
We found this circuit in an American brochure from the 90s. In it we have the way to implement a 4-input OR gate with switches and a relay.

We found this circuit in an American brochure from the 90s. In it we have the way to implement a 4-input OR gate with switches and a relay.
