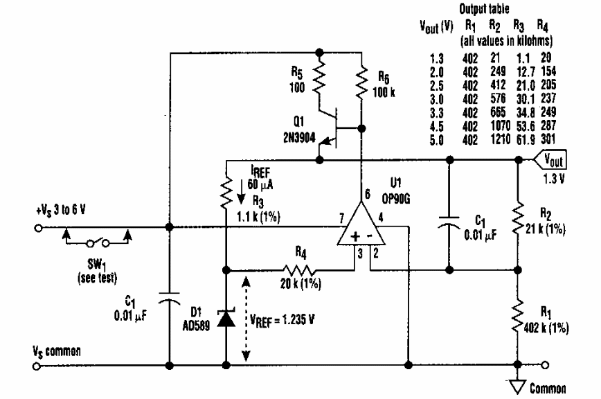
Found in an Electronic Design from the 90's, this circuit supplies voltages according to the indicated component values. The integrated circuit is from the time.
This battery monitor circuit with the TLV379 low voltage operational amplifier was obtained in the...
We got this circuit from Radio Electronics from July 1990. The circuit mimics the sound of the red...
This configuration often addressed on this site is from a 2000 documentation. The circuit can be...