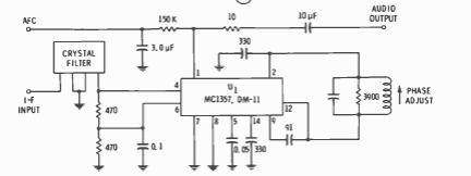
This circuit was found in a 1977 American manual. The integrated circuit is from the time. Component values depend on the frequency range.

This circuit was found in a 1977 American manual. The integrated circuit is from the time. Component values depend on the frequency range.
