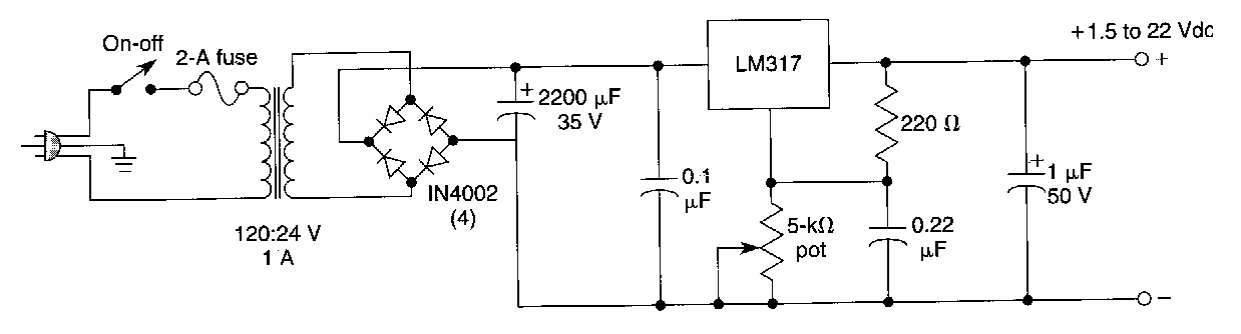
Found in an American documentation from the 90's, this 1.5 A power supply provides 1.5 to 22 V of output. The integrated circuit must be mounted on a heat sink.
One of the problems with common 3-terminal regulators is that the internal reference, normally 1.25 V,...
This circuit found in French documentation, works with 15 V logic, but can be modified to TTL or 5...
We found this circuit in a 1972 documentation. The transistor, in fact, is a unijunction that can...