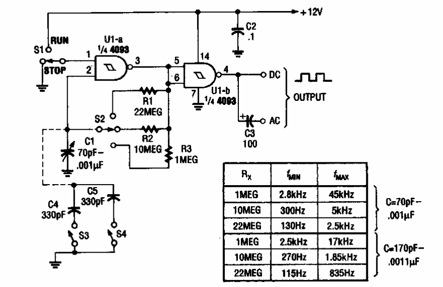
This variable frequency oscillator with the 4093 was found in a Popular Electronics from the 90s. The table gives the component values for various frequency ranges.
One of the problems with common 3-terminal regulators is that the internal reference, normally 1.25 V,...
This circuit found in French documentation, works with 15 V logic, but can be modified to TTL or 5...
We found this circuit in a 1972 documentation. The transistor, in fact, is a unijunction that can...