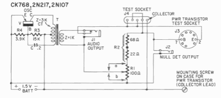
We found this circuit in a Gernsback documentation from 1960. The circuit is intended for germanium transistors and the transistor used is germanium of the time.

We found this circuit in a Gernsback documentation from 1960. The circuit is intended for germanium transistors and the transistor used is germanium of the time.
