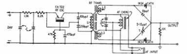
Taken from a 1956 Raytheon transistor manual, this circuit uses varistors to obtain modulation of a signal for a small transmitter. The components are from the period.

Taken from a 1956 Raytheon transistor manual, this circuit uses varistors to obtain modulation of a signal for a small transmitter. The components are from the period.
