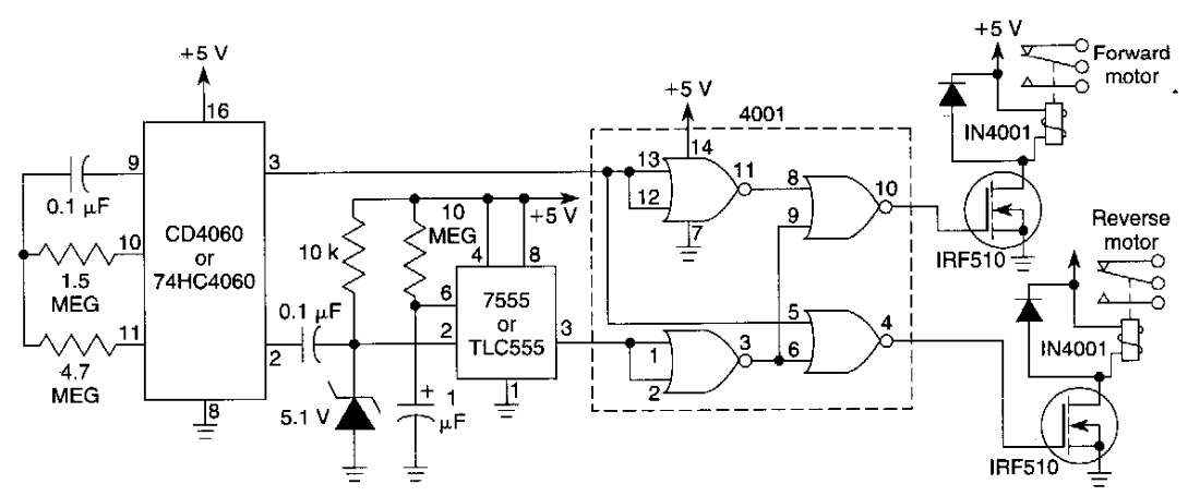
We found this circuit in an old American documentation, but the circuit can still be assembled with ease as the used components are still available. MOSFETs admit equivalents.
One of the problems with common 3-terminal regulators is that the internal reference, normally 1.25 V,...
This circuit found in French documentation, works with 15 V logic, but can be modified to TTL or 5...
We found this circuit in a 1972 documentation. The transistor, in fact, is a unijunction that can...