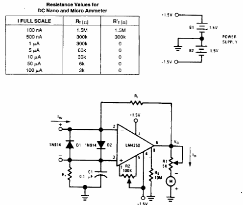
Found in documentation by National Semiconductor from the 1990s, this circuit measures currents in the order of nanoamps as shown in the table next to the diagram.

Found in documentation by National Semiconductor from the 1990s, this circuit measures currents in the order of nanoamps as shown in the table next to the diagram.
