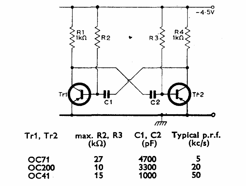
This astable multivibrator was obtained from a Mullard documentation from 1960. The components depend on the used transistor and on the frequency, as shown in the table next to the diagram.
We found this active crossover in a Radio Electronics magazine from June 1961. Note the different...
Found in Popular Electronics from the 90s, this circuit serves to indicate the output level of a...
If you are on an old PC that you use for experiments, control or other applications, this circuit is...