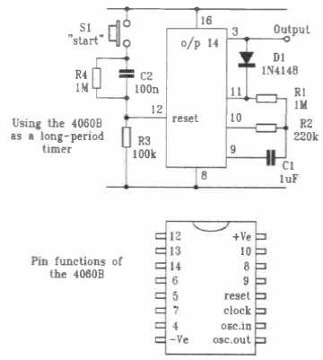
This circuit shows how to use the 4060's various outputs for frequency division and achieving a long period timer.
This circuit allows you to read resistors up to 20 M ohms, converting it into voltage. The circuit is...
The circuit in the figure is a useful continuity test serving to check the condition of circuits and...
This circuit beeps when the sensor is triggered by the opening of the freezer door or other...