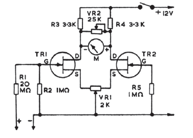
This basic voltmeter circuit has an input resistance of 2 M. The instrument is 100 uA and the transistors can be general purpose JFETs.

This basic voltmeter circuit has an input resistance of 2 M. The instrument is 100 uA and the transistors can be general purpose JFETs.
