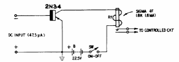
This shield from the 60's uses a germanium transistor of the time and a common type of relay of the time. For a modern application use a relay according to the supply and a 1k resistor in series with the base.

This shield from the 60's uses a germanium transistor of the time and a common type of relay of the time. For a modern application use a relay according to the supply and a 1k resistor in series with the base.
