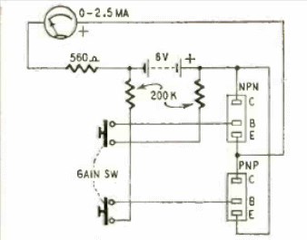
This circuit is from a commercial transistor test model found in the March 1958 Radio Electronics magazine. The circuit uses an analog indicator.

This circuit is from a commercial transistor test model found in the March 1958 Radio Electronics magazine. The circuit uses an analog indicator.
